Schaltplan Anlasserrelais

Moto Guzzi 1000sp Startet Manchmal Nicht Elektrik Und

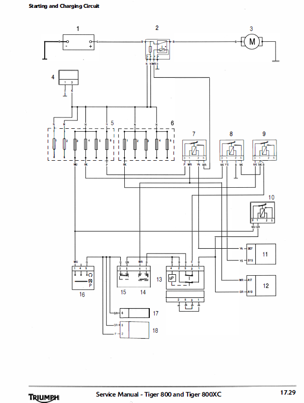
Problem Mit Elektrik Technik Tiger Serie Mit 800ccm Ab Bj

Relais J317 Spannungsversorgung Klemme 30 T4 Wiki

Der Grundaufbau Eines Anlasser Und Hauseigene Probleme

Original Modestile Grosshandler Relais Schaltplan